产品中心

首页 / 产品中心

SFN-313-4 SFN-3234-4

接地位置 4小时
额定电流(A) 16 32
3
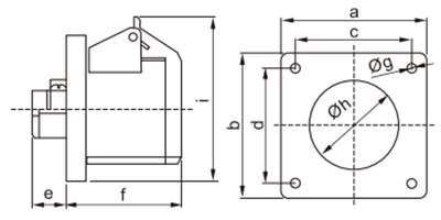
尺寸(毫米) 斧头 75 75
CXD 61 61
e 22 24
F 60 70
G 5 5
H 50 55
87 95
电缆标称截面积(mm²) 1-2.5 2.5-6
电流(A): 16A、32A
电压(V): 110-130V~2P E
保护等级: IP44

SFN-313 SFN-323

接地位置 6小时
额定电流(A) 16 32
3
尺寸(毫米) 斧头 75 75
CXD 61 61
e 22 24
F 60 70
G 5 5
H 50 55
87 95
电缆标称截面积(mm²) 1-2.5 2.5-6
电流(A): 16A、32A
电压(V): 220-240V~2P E
保护等级: IP44

SFN-314 SFN-324

接地位置 6小时
额定电流(A) 16 32
4
尺寸(毫米) 斧头 75 75
CXD 61 61
e 17 24
F 59 69
G 5 5
H 50 55
88 95
电缆标称截面积(mm²) 1-2.5 2.5-6
电流(A): 16A、32A
电压(V): 380-415V~3P+E
保护等级: IP44

SFN-315 SFN-325

接地位置 6小时
额定电流(A) 16 32
5
尺寸(毫米) 斧头 75 75
CXD 61 61
e 17 22
F 59 71
G 5 5
H 55 60
92 100
电缆标称截面积(mm²) 1-2.5 2.5-6
电流(A): 16A、32A
电压(V): 220-380V~/240-415V~3P+N+E
保护等级: IP44

SFN-3132-4 SFN-3232-4

接地位置 4小时
额定电流(A) 16 32
3
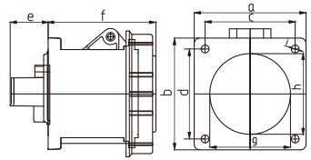
尺寸(毫米) A 75 75
75 75
C 61 61
d 61 61
e 18 24
F 63 70
G 50 55
H 50 55
5 5
电缆标称截面积(mm²) 1-2.5 2.5-6
电流(A): 16A、32A
电压(V): 110-130V~2P E
保护等级: IP67

SFN-3132 SFN-3232

接地位置 6小时
额定电流(A) 16 32
3
尺寸(毫米) A 75 75
75 75
C 61 61
d 61 61
e 18 24
F 63 70
G 50 55
H 50 55
5 5
电缆标称截面积(mm²) 1-2.5 2.5-6
电流(A): 16A、32A
电压(V): 220-240V~2P E
保护等级: IP67

SFN-3142 SFN-3242

接地位置 6小时
额定电流(A) 16 32
3
尺寸(毫米) A 75 75
75 75
C 61 61
d 61 61
e 18 24
F 63 70
G 50 55
H 50 55
5 5
电缆标称截面积(mm²) 1-2.5 2.5-6
电流(A): 16A、32A
电压(V): 380-415V~3P+E
保护等级: IP67

SFN-3152 SFN-3252

接地位置 6小时
额定电流(A) 16 32
5
尺寸(毫米) A 75 75
75 75
C 61 61
d 61 61
e 18 24
F 63 76
G 55 60
H 55 60
5 5
电缆标称截面积(mm²) 1-2.5 2.5-6
电流(A): 16A、32A
电压(V): 220-380V~/240-415V~3P+N+E
保护等级: IP67

SFN-3332-4 SFN-3432-4

接地位置 4小时
额定电流(A) 63 125
3
尺寸(毫米) A 100 120
100 120
C 80 101
d 80 101
e 35 44
F 96 106
G 80 100
H 80 100
7 7
电缆标称截面积(mm²) 6-16 16-50
电流(A): 63A,125A
电压(V): 220-250V~2P E
保护等级: IP67

SFN-3332 SFN-3432

接地位置 6小时
额定电流(A) 63 125
3
尺寸(毫米) A 100 120
100 120
C 80 101
d 80 101
e 35 44
F 96 106
G 80 100
H 80 100
7 7
电缆标称截面积(mm²) 6-16 16-50
电流(A): 63A、125A
电压(V): 220-250V~2P E
保护等级: IP67

SFN-3342 SFN-3442

接地位置 6小时
额定电流(A) 63 125
4
尺寸(毫米) A 100 120
100 120
C 80 101
d 80 101
e 35 44
F 96 106
G 80 100
H 80 100
7 7
电缆标称截面积(mm²) 6-16 16-50
电流(A): 63A、125A
电压(V): 380-415V~3P+E
保护等级: IP67

SFN-3352 SFN-3452

接地位置 6小时
额定电流(A) 63 125
5
尺寸(毫米) A 100 120
100 120
C 80 101
d 80 101
e 35 44
F 96 106
G 80 100
H 80 100
7 7
电缆标称截面积(mm²) 6-16 16-50
电流(A): 63A、125A
电压(V): 220-380V~/240-415V~3P+N+E
保护等级: IP67

成立于2004年

问鼎app平台二维码

问鼎app平台二维码座落于中国“电器之都”柳市镇内,东枕柳川平原(规划中的东海油田后方开发基地),南临七里港区6公里,西接温州机场、车站仅二十公里,北有国家重点风景区雁荡山麓,傍依104国道线,交通便利。
本公司专业生产SF系列工业插头、插座、联接器(耦合器)以及尼龙带、钢钉电线卡等。拥有先进的生产、检测和试验装置设备,具备先进的生产工艺,并不断引进专业技术人才和企业管理人才,产品均符合国家GB11918、GB11919和国际标准IEC-60309-1t和IEC-60309-2,也符合VDE0623和BS4343标准,产品远销欧美、东南亚、中东等国家和地区,并深受广大客户青睐。
本公司以诚信立品牌,以科技促生产,以质量求发展。高效的管理、优质的产品、优良的服务是上丰公司永远追求的目标。

荣誉证书
  • 荣誉
  • 荣誉
  • 荣誉
  • 荣誉
  • 荣誉
新闻中心
  • 工业插头是一种用于工业环境的电气连接设备,它们通常设计得更为坚固耐用,以适应恶劣的工作环境,如高温、潮湿、灰尘等。工业插头和插座通常具有以下特点: 1. 高防护等级:工业插头和插座通常具有较高的防护等级,如IP65或更高,以防止灰尘和水的侵...

    查看更多
  • 工业插座是专为工业环境设计的电气连接设备,它们通常具有以下特点: 1. 高防护等级:工业插座通常具有较高的防护等级,如IP65或更高,以防止灰尘、水和其他污染物的侵入。 2. 耐用性:工业插座使用的材料和结构设计能够承受频繁的插拔和较大的机...

    查看更多
  • 工业连接器是用于工业环境中的电气或信号连接设备,它们设计用于在恶劣的工作条件下提供稳定和可靠的连接。这些连接器通常具有以下特点: 1. 高防护等级:工业连接器通常具有高防护等级,如IP67或更高,以防止灰尘、水和其他污染物的侵入。 2. 耐...

    查看更多
留言反馈
产品中心行业知识