产品中心

首页 / 产品中心

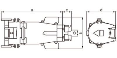
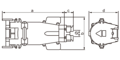
SF-3542

接地位置 6小时
额定电流(A) 200
4
尺寸(毫米) A 140
140
C 120
d 120
e 145
F 20
G 120
H 178
9
j 36
电缆标称截面积(mm²) 45-66
电流(A): 200A
电压(V): 380-415V~3P+E
保护等级: IP67

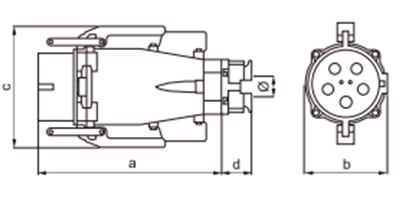
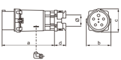
SF-2542

接地位置 6小时
额定电流(A) 200
4
尺寸(毫米) A 328
162
C 65
Ø 45-66
电缆标称截面积(mm²) 45-66
电流(A): 200A
电压(V): 380-415V~3P+E
保护等级: IP67

SF-0552

接地位置 6小时
额定电流(A) 200
5
尺寸(毫米) A 302
142
C 134
d 65
Ø 45-66
电缆标称截面积(mm²) 45-66
电流(A): 200A
电压(V): 220-380V~/240-415V~3P+N+E
保护等级: IP67

SF-3552

接地位置 6小时
额定电流(A) 200
5
尺寸(毫米) A 140
140
C 120
d 120
e 145
F 20
G 120
H 178
9
j 36
电缆标称截面积(mm²) 45-66
电流(A): 200A
电压(V): 220-380V~/240-415V~3P+N+E
保护等级: IP67

SF-2552

接地位置 6小时
额定电流(A) 200
5
尺寸(毫米) A 328
162
C 65
Ø 45-66
电缆标称截面积(mm²) 45-66
电流(A): 200A
电压(V): 220-380V~/240-415V~3P+N+E
保护等级: IP67

SF-0642 SF-0742

接地位置 6小时
额定电流(A) 250,400
4
尺寸(毫米) A 402
179
C 264
d 65
Ø 45-66
电缆标称截面积(mm²) 45-66
电流(A): 250A、400A
电压(V): 380-415V~3P+E
保护等级: IP67

SF-3642 SF-3742

接地位置 6小时
额定电流(A) 250,400
4
尺寸(毫米) A 213
216
C 127
d 127
e 157
F 90
G 153
H 140
6
电缆标称截面积(mm²) 45-66
电流(A): 250A、400A
电压(V): 380-415V~3P+E
保护等级: IP67

SF-2642 SF-2742

接地位置 6小时
额定电流(A) 250,400
4
尺寸(毫米) A 447
238
C 65
d 213
Ø 45-66
电缆标称截面积(mm²) 45-66
电流(A): 250A、400A
电压(V): 380-415V~3P+E
保护等级: IP67

SF-0652 SF-0752

接地位置 6小时
额定电流(A) 250,400
5
尺寸(毫米) A 402
179
C 264
d 65
Ø 45-66
电缆标称截面积(mm²) 45-66
电流(A): 250A、400A
电压(V): 220-380V~/240-415V~3P+N+E
保护等级: IP67

SF-3652 SF-3752

接地位置 6小时
额定电流(A) 250,400
5
尺寸(毫米) A 213
216
C 127
d 127
e 157
F 90
G 153
H 140
6
电缆标称截面积(mm²) 45-66
电流(A): 250A、400A
电压(V): 220-380V~/240-415V~3P+N+E
保护等级: IP67

SF-2652 SF-2752

接地位置 6小时
额定电流(A) 250,400
5
尺寸(毫米) A 447
238
C 65
d 213
Ø 45-66
电缆标称截面积(mm²) 45-66
电流(A): 250A、400A
电压(V): 220-380V~/240-415V~3P+N+E
保护等级: IP67

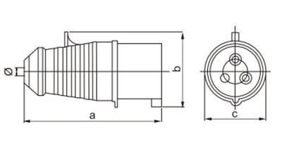
SF-013-4 SF-023-4

接地位置 6小时
额定电流(A) 16 32
3
尺寸(毫米) A 122 139
59 75
C 51 64
Ø 6 8
电缆标称截面积(mm²) 1-2.5 2.5-6
电流(A): 16A. 32A
电压(V): 110-130V~2P E
保护等级: IP44

成立于2004年

问鼎app平台二维码

问鼎app平台二维码座落于中国“电器之都”柳市镇内,东枕柳川平原(规划中的东海油田后方开发基地),南临七里港区6公里,西接温州机场、车站仅二十公里,北有国家重点风景区雁荡山麓,傍依104国道线,交通便利。
本公司专业生产SF系列工业插头、插座、联接器(耦合器)以及尼龙带、钢钉电线卡等。拥有先进的生产、检测和试验装置设备,具备先进的生产工艺,并不断引进专业技术人才和企业管理人才,产品均符合国家GB11918、GB11919和国际标准IEC-60309-1t和IEC-60309-2,也符合VDE0623和BS4343标准,产品远销欧美、东南亚、中东等国家和地区,并深受广大客户青睐。
本公司以诚信立品牌,以科技促生产,以质量求发展。高效的管理、优质的产品、优良的服务是上丰公司永远追求的目标。

荣誉证书
  • 荣誉
  • 荣誉
  • 荣誉
  • 荣誉
  • 荣誉
新闻中心
  • 工业插头是一种用于工业环境的电气连接设备,它们通常设计得更为坚固耐用,以适应恶劣的工作环境,如高温、潮湿、灰尘等。工业插头和插座通常具有以下特点: 1. 高防护等级:工业插头和插座通常具有较高的防护等级,如IP65或更高,以防止灰尘和水的侵...

    查看更多
  • 工业插座是专为工业环境设计的电气连接设备,它们通常具有以下特点: 1. 高防护等级:工业插座通常具有较高的防护等级,如IP65或更高,以防止灰尘、水和其他污染物的侵入。 2. 耐用性:工业插座使用的材料和结构设计能够承受频繁的插拔和较大的机...

    查看更多
  • 工业连接器是用于工业环境中的电气或信号连接设备,它们设计用于在恶劣的工作条件下提供稳定和可靠的连接。这些连接器通常具有以下特点: 1. 高防护等级:工业连接器通常具有高防护等级,如IP67或更高,以防止灰尘、水和其他污染物的侵入。 2. 耐...

    查看更多
留言反馈
产品中心行业知识