产品中心

首页 / 产品中心

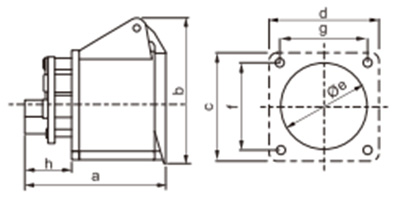
SF-215 SF-225

接地位置 6小时
额定电流(A) 16 32
5
尺寸(毫米) A 139 154
90 100
C 63 70.5
Ø 8 8
电缆标称截面积(mm²) 1-2.5 2.5-6
电流(A): 16A. 32A
电压(V): 220-380V~/240-415V~3P+N+E
保护等级: IP44

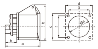
SF-233 SF-243

接地位置 6小时
额定电流(A) 63 125
3
尺寸(毫米) A 240 303
115 128
C 16-38 30-50
d 108 120
电缆标称截面积(mm²) 6-16 16-50
电流(A): 63A. 125A
电压(V): 220-240V~2P E
保护等级: IP67

SF-234 SF-244

接地位置 6小时
额定电流(A) 63 125
4
尺寸(毫米) A 240 303
115 128
C 16-38 30-50
d 108 120
电缆标称截面积(mm²) 6-16 16-50
电流(A): 63A. 125A
电压(V): 380-415V~3P+E
保护等级: IP67

SF-235 SF-245

接地位置 6小时
额定电流(A) 63 125
5
尺寸(毫米) A 240 303
115 128
C 16-38 30-50
d 108 120
电缆标称截面积(mm²) 6-16 16-50
电流(A): 63A. 125A
电压(V): 220-380V~/240-415V~3P+N+E
保护等级: IP67

SF-213L-4 SF-223L-4

接地位置 4小时
额定电流(A) 16 32
3
尺寸(毫米) A 150 189
68 92
C 50 65
Ø 8 10
电缆标称截面积(mm²) 1-2.5 2.5-6
电流(A): 16A. 32A
电压(V): 110-130V~2P E
保护等级: IP44

SF-213L SF-223L

接地位置 6小时
额定电流(A) 16 32
3
尺寸(毫米) A 150 189
68 92
C 50 65
Ø 8 10
电缆标称截面积(mm²) 1-2.5 2.5-6
电流(A): 16A. 32A
电压(V): 220-240V~2P E
保护等级: IP44

SF-214L SF-224L

接地位置 6小时
额定电流(A) 16 32
4
尺寸(毫米) A 149 189
79 92
C 56 65
Ø 8 10
电缆标称截面积(mm²) 1-2.5 2.5-6
电流(A): 16A. 32A
电压(V): 380-415V~3P+E
保护等级: IP44

SF-215L SF-225L

接地位置 6小时
额定电流(A) 16 32
5
尺寸(毫米) A 179 193
90 100
C 63 70.5
Ø 10 10
电缆标称截面积(mm²) 1-2.5 2.5-6
电流(A): 16A. 32A
电压(V): 220-380V~/240-415V~3P+N+E
保护等级: IP44

SF-313-4 SF-323-4

接地位置 4小时
额定电流(A) 16 32
3
尺寸(毫米) A 74 91
70 88
C 70 70
d 70 70
e 55 55
F 56 56
G 56 56
H 24 29
电缆标称截面积(mm²) 1-2.5 2.5-6
电流(A): 16A. 32A
电压(V): 110-130V~2P E
保护等级: IP44

SF-313 SF-323

接地位置 6小时
额定电流(A) 16 32
3
尺寸(毫米) A 74 91
70 88
C 70 70
d 70 70
e 55 55
F 56 56
G 56 56
H 24 29
电缆标称截面积(mm²) 1-2.5 2.5-6
电流(A): 16A. 32A
电压(V): 220-240V~2P E
保护等级: IP44

SF-314 SF-324

接地位置 6小时
额定电流(A) 16 32
4
尺寸(毫米) A 76 90
80 87
C 70 70
d 70 70
e 55 55
F 56 56
G 56 56
H 25 30
电缆标称截面积(mm²) 1-2.5 2.5-6
电流(A): 16A. 32A
电压(V): 380-415V~3P+E
保护等级: IP44

SF-315 SF-325

接地位置 6小时
额定电流(A) 16 32
5
尺寸(毫米) A 76 93
86 95
C 70 70
d 70 70
e 55 55
F 56 56
G 56 56
H 26 28
电缆标称截面积(mm²) 1-2.5 2.5-6
电流(A): 16A. 32A
电压(V): 220-380V~/240-415V~3P+N+E
保护等级: IP44

成立于2004年

问鼎app平台二维码

问鼎app平台二维码座落于中国“电器之都”柳市镇内,东枕柳川平原(规划中的东海油田后方开发基地),南临七里港区6公里,西接温州机场、车站仅二十公里,北有国家重点风景区雁荡山麓,傍依104国道线,交通便利。
本公司专业生产SF系列工业插头、插座、联接器(耦合器)以及尼龙带、钢钉电线卡等。拥有先进的生产、检测和试验装置设备,具备先进的生产工艺,并不断引进专业技术人才和企业管理人才,产品均符合国家GB11918、GB11919和国际标准IEC-60309-1t和IEC-60309-2,也符合VDE0623和BS4343标准,产品远销欧美、东南亚、中东等国家和地区,并深受广大客户青睐。
本公司以诚信立品牌,以科技促生产,以质量求发展。高效的管理、优质的产品、优良的服务是上丰公司永远追求的目标。

荣誉证书
  • 荣誉
  • 荣誉
  • 荣誉
  • 荣誉
  • 荣誉
新闻中心
  • 工业插头是一种用于工业环境的电气连接设备,它们通常设计得更为坚固耐用,以适应恶劣的工作环境,如高温、潮湿、灰尘等。工业插头和插座通常具有以下特点: 1. 高防护等级:工业插头和插座通常具有较高的防护等级,如IP65或更高,以防止灰尘和水的侵...

    查看更多
  • 工业插座是专为工业环境设计的电气连接设备,它们通常具有以下特点: 1. 高防护等级:工业插座通常具有较高的防护等级,如IP65或更高,以防止灰尘、水和其他污染物的侵入。 2. 耐用性:工业插座使用的材料和结构设计能够承受频繁的插拔和较大的机...

    查看更多
  • 工业连接器是用于工业环境中的电气或信号连接设备,它们设计用于在恶劣的工作条件下提供稳定和可靠的连接。这些连接器通常具有以下特点: 1. 高防护等级:工业连接器通常具有高防护等级,如IP67或更高,以防止灰尘、水和其他污染物的侵入。 2. 耐...

    查看更多
留言反馈
产品中心行业知识